« La fiabilité au cœur de vos structures »

Qui sommes-nous ?

Attysa Ingénierie est un bureau d’études structure, assurant des prestations de maîtrise d’œuvre et d’ingénierie-conseil dans le domaine du bâtiment.

Le cœur du travail de notre bureau d’étude d’ingénierie structure se résume à bien dimensionner la structure d’un ouvrage, pour qu’il soit solide et pérenne. La sécurité et la fiabilité d’une construction vont reposer sur les garanties qu’apporte le calcul de structures.

L’engagement d’Attysa Ingénierie sur une affaire, c’est aussi comprendre et intégrer les enjeux des autres concepteurs : architectes, bureaux d’études des lots techniques, géotechniciens, etc. Un bâtiment est une somme d’éléments qu’il faut dimensionner les uns par rapport aux autres afin d’obtenir le meilleur compromis de performance.

Notre Expertise

S’épanoui autour des pôles de compétences qui permettent répondre efficacement aux enjeux de la construction et réhabilitation des bâtiments.

Maîtrise d’Œuvre et Conception

Notre métier premier englobe la conception structurelle du projet ; le dimensionnement et la rationalisation des structures ; les études de structures mixtes ; des solutions adaptées aux contraintes architecturales, techniques, économiques.

Études d’Exécution

Nous sommes en mesure de réaliser les calculs et produire des plans d’exécution d’ouvrages, plans d’atelier et de chantier, en prenant toujours en compte les contraintes et délais, mais également à même d’optimiser la conception en proposant des contre-projets, ou variantes, moins coûteux ou mieux adaptés aux caractéristiques de l’édifice.

Diagnostic de structure et réhabilitation

Nous analysons le bâti et dressons un état des lieux complet. Le diagnostic de l’existant est réalisé via des analyses visuelles et/ou des sondages destructifs, ou à l’aide de l’outil Ferroscan pour des sondages non destructifs. Nous réalisons toute reprise en sous-œuvre, renforcement de planchers, surélévation de bâtiments, confortement, analyse des matériaux.

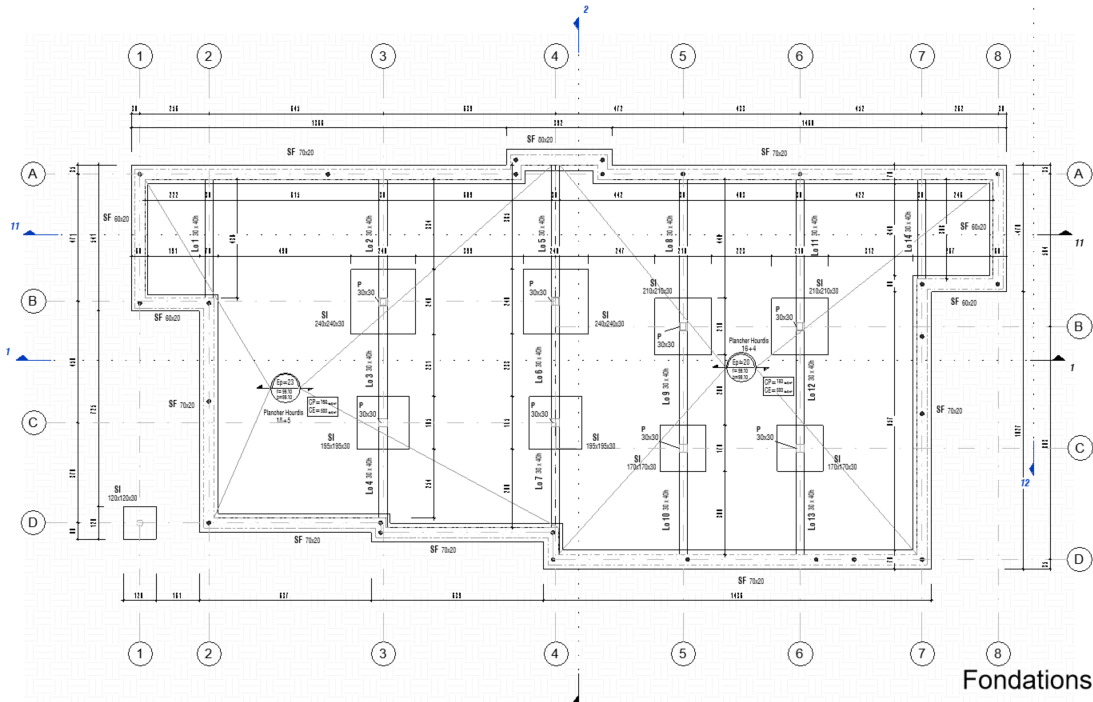
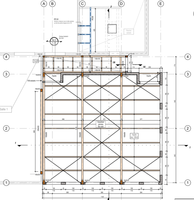
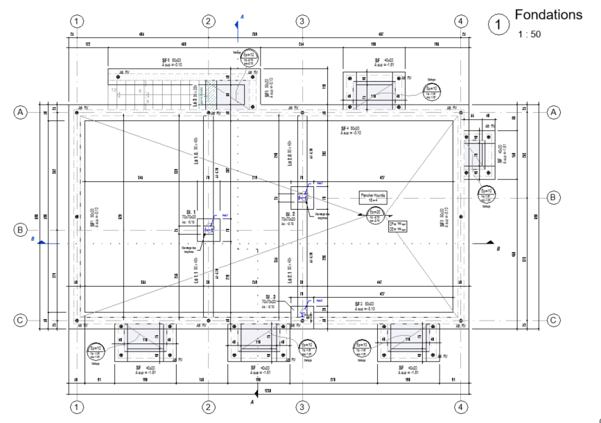
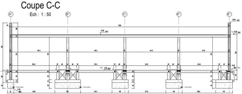
Nos domaines d’intervention couvrent les ouvrages en :

Notre Mission

Vous accompagner dans chaque étape de votre projet, en vous permettant
d’atteindre la meilleure réponse technique et financière.

FIXER
Vos objectifs

Avant tout, il est important de bien comprendre votre métier, son fonctionnement et ses particularités. Cela nous permettra ensuite de décrire ensemble vos besoins et de définir clairement vos attentes, pour être sûr d’aller dans la bonne direction.

Enfin, nous prendrons le temps de poser le cadre normatif, c’est-à-dire les règles et les standards à respecter, afin de garantir un travail cohérent et conforme.

DEFINIR
Une réponse

Notre rôle consiste à traduire en langage technique vos attentes, afin de rendre vos besoins clairs et exploitables.

Nous allons ensuite dimensionner les principaux éléments pour assurer leur adéquation avec vos objectifs. Il s’agira dès lors de représenter graphiquement l’ensemble des éléments, pour offrir une vision globale et concrète du projet.

Enfin, nous prendrons soin de décrire l’ensemble des prestations, afin que chaque étape et chaque action soient parfaitement comprises.

GERER
Votre chantier

Notre mission est de contrôler la conformité et la qualité de la réalisation, afin de nous assurer que tout corresponde aux attentes et aux standards fixés.

En parallèle, nous allons organiser les réunions techniques de chantier, pour suivre l’avancement, changer les points importants et garantir une bonne coordination entre tous les acteurs.

Nos moyens

Nous disposons de nombreux outils informatiques de métier permettant la bonne réalisation et un bon accompagnement de vos projets.

Robot Structural

Robot Structural

Outil d’analyse structurelle et de vérification de la conformité aux normes

Autocad

Autocad

Outil avancé d’analyse structurelle et de vérification de la conformité aux normes

Arche Hybride

Arche Hybride

Logiciel de calcul pour la conception et l’exécution de bâtiments en béton armé.

Revit

Revit

Concevoir et gérez les maquettes numériques des bâtiments.

Advance Steel

Advance Steel

Modélisation 3D pour la création de plans de détail de structures en acier

Microsoft Office

Microsoft Office

Suite bureautique

Nos
Projets

91000 Évry-Courcouronnes, France

7 rue Montespan
91000 Évry-Courcouronnes

Tél. : 06 52 17 45 38

Email : contact@attysa.fr

Envoyez-nous un message :